|
Al diverse malen werd vragen gesteld over de mounting op de Daf YA 328. Vragen zoals, waar is die nog te vinden, hoe kom je er aan, zo'n mouting zoek ik ook nog, en dergelijke. Mijn vaste antwoord was steeds, dat ik er ook lang naar gezocht heb, nergens te vinden was en hem uiteindelijk zelf maar gemaakt heb. Op aanvraag al diverse malen uitleg, foto's en beschrijvingen verstuurd, dus hier nog maar eens de uitleg met foto's hoe ik het gedaan heb. Nog maar een keer opgemerkt, dat er aan de mounting niets origineels is, maar dat hij, met hier en daar een beetje smokkelen hij de originaliteit zeer dicht benaderd. Alleen een echte kenner ziet uiteindelijk het verschil. |
|
In augustus 2004 kocht ik een Daf YA 328. Arjan had toen al een Daf YA 126 + zo'n zelfde sloper voor onderdelen. We hadden een stalling gevonden in een boeren schuur in Kamperland. Vanwege diverse werkzaamheden hadden we behoefte aan een takel. Die was daar in die tijd nog niet voorhanden dus hebben we er zelf een gemaakt, voor op de voorzijde van de 328. |
![]() |
Eerder al, had ik t.b.v. het op de kop kunnen nemen van een aanhangwagen, een trekbalk voor op de voorzijde van de 328 gemaakt. |
![]() |
Om de takelbomen voldoende steun te kunnen geven, werden er aan weerszijde in de trekbalk een stel oren gelast. |
![]() |
Er werden een tweetal takelbomen gemaakt, welke ieder middels een M 20 bout op de trekbalk konden worden bevestigd. Voorts een tweetal staalkabels, welke met een harpsluiting aan de achterzijde aan de laadbak kunnen worden vastgemaakt. |
![]() |
Om te voorkomen dat de staalkabels de huif zouden beschadigen, werd, om de kabels kang de bak gespreid te kunnen houden, daarvoor een stevige beugel op de bak gemaakt, waarop tevens de zwaailamp werd bevestigd. |
![]() |
Het takelen zelf, doen we met behulp van een kettingtakel. Heb op deze wijze al vele werkzaamheden verricht. Als het niet al te zwaar is, kan je onderdelen, zoals b.v. een motor, |
![]() |
Al enige tijd wilde ik graag een mounting voor een punt 50. Daar was toen voor een 328 niet aan te komen. Omdat ik de beugel op de bak toch al eerder had gemaakt, ben ik de mounting uiteindelijk zelf maar gaan maken. |
![]() |
Als voorbeeld werd genomen, een Daf YT 514 uit het Daf Museum te Eindhoven. |
![]() |
De mounting van de Daf YA 328 is gelijk aan de mountings van de Daf YA 314, Daf YA 318 en de Daf YT 1527 L32. De detaillijst van de mounting is te vinden in de rubriek "Naslagwerken" op de Y-cie website |
![]() |
Voor de mounting heb ik stoompijp gebruikt en een uitwendige diameter van 60 mm. Voor het buigen daarvan heb je uitteraard zware machines nodig, dus het maken van de bochten werd door een machinefabiek gedaan. Ze namen daarvoor een pijp met een standaardlengte van 6 meter, welke na het buigen daarvan door mij op de juiste lengtes werd afgeslepen. De radius van alle bochten is 250 mm. Als eerste heb ik een tekening gemaakt, aan de hand waarvan het constructiebedrijf de pijpen boog. |
![]() |
Aan de voorzijde heb ik op de buis een grondplaat gelast, welke direct op de daarvoor bestaande plaats op de voorbumper wed bevestigd. |
![]() |
Voor de "pijp op pijp" bevestiging heb je speciale klemmen nodig, welke ook zelf gemaakt werden. |
![]() |
Stukje pijp, met een lengte van 120 mm in vier partjes geslepen. Vervolgens de partjes op zo'n zelfde pijp in de juiste radius geslagen. |
![]() |
Voorts twee "tussen"platen gemaakt, gaten in geboord en op twee reststukjes pijp geklemd. |
![]() |
Verder nog twee eindstrippen gemaakt en de platen, de partjes en de eindstrippen op een paar reststukken pijp geklemd aan elkaar gehecht. |
![]() |
Daarna alles afgelast en glad geslepen. Omdat en voor een gehele mounting drie klemmen nodig zijn, een zestal van deze halve gemaakt. Tot slot de twee halve klemmen aan elkaar, waarna de vier gaten geboord konden worden. |
![]() |
De klem in de primer. |
![]() |
Even passen. De buis moet nog wel tot de juiste lengte worden ingekort. |
![]() |
Vervolgens werd de ring gemaakt. Ook dat kan ik uiteraard niet zelf, dus werd hij gemaakt door hetzelfde bedrijf, dat voor mij ook de buizen had gebogen. Hij werd door hen gemaakt van 100 x 15 mm, rondgebogen en gelast. |
![]() |
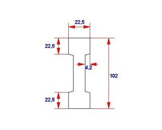
Maten voor de ring werden opgemeten aan de hand van een ringmount van een GMC. Dat zijn natuurlijk maten in inches. Door mij werden de maten afgerond en genoteerd in millimeters Als voorbeeld: De hoogte van de ring, gemeten werd 101,6 mm (4 inch) afgerond naar 102 mm. Het bandstaal waarvan de ring gebogen werd is 100 x 15 mm. Met een beetje smokkelen met de later opgelastte profielstrips, werd de uiteidelijke hoogte 101 mm, een te verwaarlozen verschil t.o.v. de origenele ring. In dat kader moet je alle maten zien. |
![]() |
De dwarsdoorsnede van de ringmount, zoals opgemeten bij de GMC. |
![]() |
Het profiel waarvan zo'n ringmount bestaat, is hier ntuurlijk niet te krijgen. Daarom maar weer zelf gemaakt. Acht strippen bandstaal, 20 x 4 mm. |
![]() |
Twee stuks voor de binnenzijde en twee voor de buitenzijde. Rondom gebogen en om de 10 cm gehecht. |
![]() |
Twee bevestigingsoren onder een hoek van 90 graden aangelast. |
![]() |
Met behulp van wat hout een mal gemaakt voor de voorste buis. |
![]() |
De mal met bijgaande tekening afgegeven bij weer hetzelfde constructiebedrijf. |
![]() |
Na terugkomst en met een kleine aanpassing pastte hij perfect. Tevens het derde oor aan de ring gelast. |
![]() |
Al met al was het best veel, maar wel leuk werk. Maar het is precies, zoals het spreekwoord al zegt: Met passen en meten ................................ |
![]() |
Een drietal hoeklijnen op maat gemaakt en op de mountingbuizen gelast, teneinde de ring vast te kunnen zetten. |
![]() |
De ringmounting met polyester geplamuurd, geschuurd en geschilderd. |
![]() |
De mounting is klaar. |
![]() |
Nu ik zover was, smaakte het naar meer, omdat enkel zo'n ringmounting er toch wel een beetje kaal uit zag. Nu zijn er natuurlijk mogelijkheden voor een gedemilitariseerde punt 50, maar daar zitten zoveel haken en ogen aan plus natuurlijk de nodige kosten en dat zag ik allemaal niet zo zitten. Dus op naar het volgende project, zelf een dummy maken. Het voeren van een dummy is hier in Nederland eigenlijk niet toegestaan, maar we komen veel in België en daar mag het dan weer wel. Heb ik ook geen dure trolley nodig, voor een dummy punt 50 kan ik die zelf ook wel maken. |
![]() |
Twee "grond"platen met geleidewieltjes gemaakt. Eén voor boven en één voor onder. |
![]() |
Aan de andere zijde een aantal verstevigingsbruggen gelast, met eveneens twee geleidewieltjes. |
![]() |
De boven- en onderplaat. |
![]() |
Middels een steunplaat/rugplaat of hoe je het ook noemen wil, aan elkaar gelast. |
![]() |
Handgreep aan gemaakt. |
![]() |
Verdere fabricagefoto's helaas per abuis gewist. Maar onder andere een (niet werkende) rem/blokkeerhendel gemonteerd. |
![]() |
De bevestiging voor de dummy punt 50, een draadeind M 20 met moer. |
![]() |
Veder afgewekt als look-a-like van een originele trolley. |
![]() |
Een originele hoes voor een punt 50, opgevuld met een houten dummy. |
![]() |
De houten dummy. |
![]() |
tot slot werd nog een munitiekistje voor punt 50 patronen toegevoegd. |
![]() |
![]() |
![]() |
De maten op de tekeningen van de buizen, heb ik gemeten aan de hand van mijn situatie. Als je zelf ook van plan ben een dergelijke mounting te maken, werk dan stukje voor stukje. Weer iets klaar, monteer het dan en meet dan vooral zelf alles op. Er kan zó maar één of meerdere centimeters verschil in zitten. In eerste intantie had ik de buis aan de rechter zijde waterpas gemaakt. Foutje, plaats hem iets naar voren aflopend, zodat hij in lijn ligt met de eveneens aflopende daklijn van de huif. Ik heb hem later ook iets aangepast, anders was het net of er een knik net achter de cabine zat, geen gezicht. Nogmaals, het is allemaal nep, namaak of hoe he het maar wilt noemen. Het is echter zodanig gemaakt, dat het niet van echt is de onderscheiden. En dat was de opzet. |